Tento eshop používá k poskytování služeb, personalizaci reklam a analýze návštěvnosti soubory cookie.

Více informací
Přijmout všechny cookies Personalizovat
Odmítnout vše
Přijmout zvolené cookies
Obrázek
Obrázek (1)
Obrázek
Obrázek (1)

GVK 250/GM Otočné kolo s černou obručí

- tvarované kolo z šedé litiny s černou elastickou vulkanizovanou pryžovou obručí

2 093,00 Kč bez DPH

2 532,53 Kč
S DPH

 
- vidlice z pozinkovaného ocelového plechu síly 4mm
- dvě řady kuliček v otoči
- otočné kolo
- tvarované kolo z šedé litiny s černou elastickou vulkanizovanou pryžovou obručí
- uložení kola v kuličkových ložiskách
- odolné teplotě -15°C až +60°C
- odolné chemickému prostředí
Průměr kola (mm)
250
Šířka kola (mm)
50
Vyosení kola (mm)
50
Výška (mm)
292
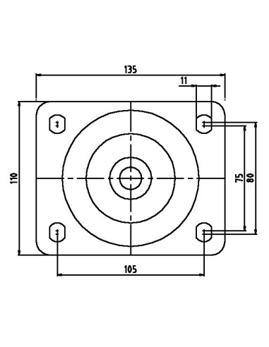
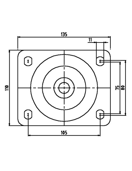
Rozměr upínací desky (mm)
135x110
Rozteč upínacích otvorů (mm)
105X80
Průměr upínacích otvorů (mm)
11X16
Nosnost (kg)
350
7220256
Nové

1 další produkt ve stejné kategorii:

Produkt přidán k porovnání