Tento eshop používá k poskytování služeb, personalizaci reklam a analýze návštěvnosti soubory cookie.

Více informací
Přijmout všechny cookies Personalizovat
Odmítnout vše
Přijmout zvolené cookies
Obrázek
Obrázek (1)
Obrázek
Obrázek (1)

LGR 250/GMD Otočné kolo s šedou gumovou obručí a brzdou

- kolo s kovovým pozinkovaným diskem a černou pryžovou obručí

1 064,00 Kč bez DPH

1 287,44 Kč
S DPH

 
- vidlice z pozinkovaného ocelového plechu - dvě řady kuliček v otoči - otočné kolo v provedení s brzdou kola i otoče - kolo s kovovým pozinkovaným diskem a černou pryžovou obručí - uložení kola v jehlovém ložisku
Průměr kola (mm)
250
Šířka kola (mm)
60
Vyosení kola (mm)
55
Výška (mm)
290
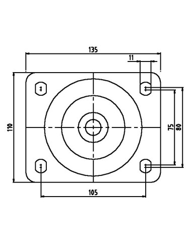
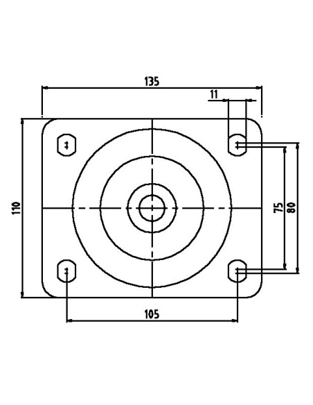
Rozměr upínací desky (mm)
135x110
Rozteč upínacích otvorů (mm)
105X80
Průměr upínacích otvorů (mm)
11X16
Nosnost (kg)
200
0212344
Nové

11 dalších produktů ve stejné kategorii:

Produkt přidán k porovnání