Tento eshop používá k poskytování služeb, personalizaci reklam a analýze návštěvnosti soubory cookie.

Více informací
Přijmout všechny cookies Personalizovat
Odmítnout vše
Přijmout zvolené cookies
Obrázek
Obrázek (1)
Obrázek
Obrázek (1)

PNB 200/GRD Otočné kolo s černou obručí a brzdou

- kolo s plastovým diskem a černou pryžovou obručí

603,00 Kč bez DPH

729,63 Kč
S DPH

 
- vidlice z pozinkovaného ocelového plechu - dvě řady kuliček v otoči - otočné kolo v provedení s brzdou kola i otoče - kolo s plastovým diskem a černou pryžovou obručí - uložení kola v kluzném pouzdře
Průměr kola (mm)
200
Šířka kola (mm)
50
Vyosení kola (mm)
55
Výška (mm)
239
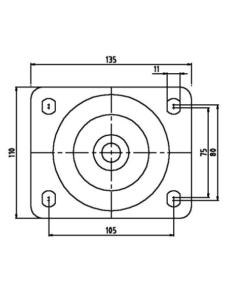
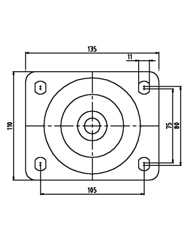
Rozměr upínací desky (mm)
135x110
Rozteč upínacích otvorů (mm)
105X80
Průměr upínacích otvorů (mm)
11X16
Nosnost (kg)
205
0220088
Nové

Prohlédnuté produkty

11 dalších produktů ve stejné kategorii:

Produkt přidán k porovnání