Nákupní košík
Nafukovací kola na děleném jehlovém disku
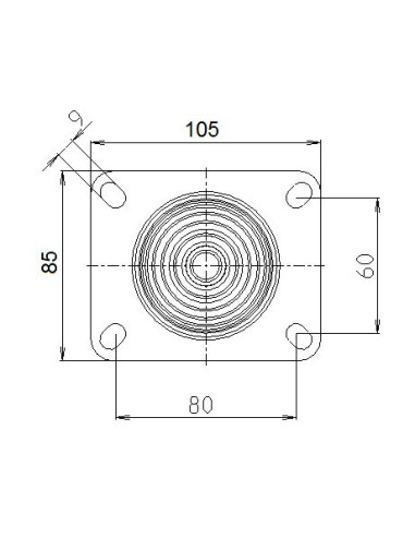
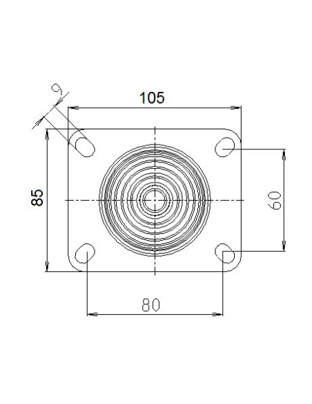
Nafukovací kolo na půleném pozinkovaném disku NB 300 JLP-B1-zemědělský
MONTAKO CZ s.r.o.
17560746
775,00 Kč bez DPH
937,75 Kč
- kolo s děleným pozinkovaným diskem

