Tento eshop používá k poskytování služeb, personalizaci reklam a analýze návštěvnosti soubory cookie.

Více informací
Přijmout všechny cookies Personalizovat
Odmítnout vše
Přijmout zvolené cookies
Obrázek
Obrázek (1)
Obrázek
Obrázek (1)

NPX 080/GR Otočné kolo s červenou polyuretanovou obručí

- kolo s polyamidovým diskem a polyuretanovou obručí

252,00 Kč bez DPH

304,92 Kč
S DPH

 
- vidlice z pozinkovaného plechu - dvě řady kuliček v otoči - otočné kolo - kolo s polyamidovým diskem a polyuretanovou obručí - uložení kola v jehlovém ložisku - odolné teplotě -15°C až +60°C Výborná kola pro: potraviny, nemocnice, chemické prostředí
Průměr kola (mm)
80
Šířka kola (mm)
30
Vyosení kola (mm)
38
Výška (mm)
108
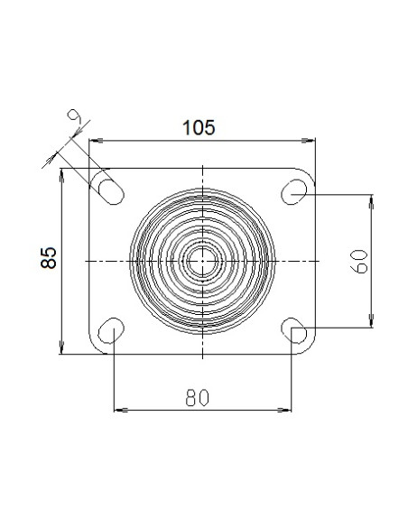
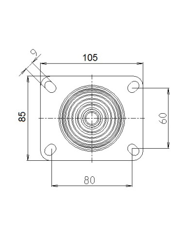
Rozměr upínací desky (mm)
105x85
Rozteč upínacích otvorů (mm)
80x60
Průměr upínacích otvorů (mm)
9x16
Nosnost (kg)
120
7260010
Nové

Prohlédnuté produkty

4 dalších produktů ve stejné kategorii:

Zákazníci, kteří si koupili tento produkt, koupili také:

Zákazníci, kteří si koupili tento produkt, koupili také:

Produkt přidán k porovnání