Nákupní košík
PGB Kola transportní samostatná
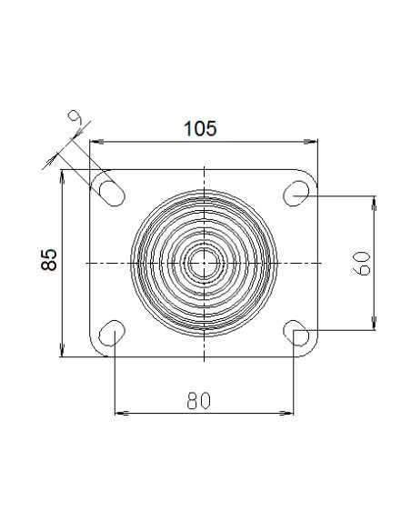
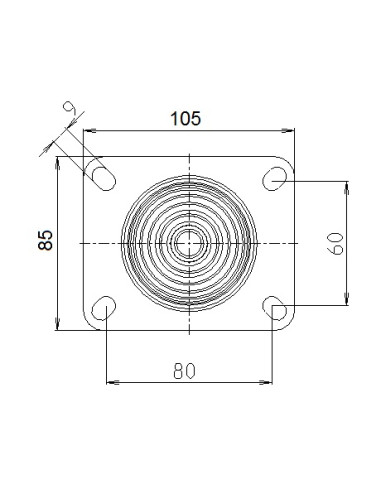
PGB 180 Samostatné kolo s šedou gumovou obručí
MONTAKO CZ s.r.o.
0220417
230,00 Kč bez DPH
278,30 Kč
- kolo s plastovým diskem a šedou pryžovou obručí

