Tento eshop používá k poskytování služeb, personalizaci reklam a analýze návštěvnosti soubory cookie.

Více informací
Přijmout všechny cookies Personalizovat
Odmítnout vše
Přijmout zvolené cookies
Obrázek
Obrázek (1)
Obrázek
Obrázek (1)

GBK 125/GRD Otočné kolo ocelolitinové s brzdou

- kolo z ocelolitiny

670,00 Kč bez DPH

810,70 Kč
S DPH

 
- vidlice z pozinkovaného ocelového plechu - dvě řady kuliček v otoči - kolo otočné z ocelolitiny v provedení s brzdou kola i otoče - uložení kola v kuličkovém ložisku - odolné teplotě -40°C až +130°C
Průměr kola (mm)
125
Šířka kola (mm)
30
Vyosení kola (mm)
45
Výška (mm)
155
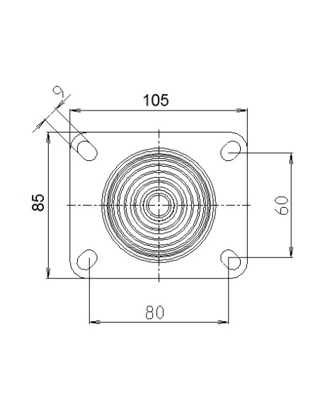
Rozměr upínací desky (mm)
105x85
Rozteč upínacích otvorů (mm)
80x60
Průměr upínacích otvorů (mm)
9x16
Nosnost (kg)
180
7400064
Nové

Prohlédnuté produkty

5 dalších produktů ve stejné kategorii:

Produkt přidán k porovnání