Tento eshop používá k poskytování služeb, personalizaci reklam a analýze návštěvnosti soubory cookie.

Více informací
Přijmout všechny cookies Personalizovat
Odmítnout vše
Přijmout zvolené cookies
  • Balení
Obrázek
Obrázek (1)
Obrázek
Obrázek (1)

RTZ 200/FX Pevné kolo fenolové černé

- fenolové kolo černé barvy

Tento balíček obsahuje

1 606,00 Kč bez DPH

1 943,26 Kč
S DPH

 
- vidlice z nerezového plechu - pevné kolo - fenolové kolo černé barvy - u kola o 80 - 100 s bronzovým pouzdrem - uložení kola v nerezovém kluzném pouzdře - odolné teplotě -40°C až +280°C
Průměr kola (mm)
200
Šířka kola (mm)
50
Výška (mm)
240
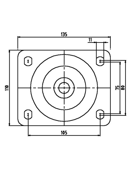
Rozměr upínací desky (mm)
135x110
Rozteč upínacích otvorů (mm)
105x80x75
Průměr upínacích otvorů (mm)
11
Nosnost (kg)
200
Uložení kola
jehlové
7350037
Nové

6 dalších produktů ve stejné kategorii:

Zákazníci, kteří si koupili tento produkt, koupili také:

Zákazníci, kteří si koupili tento produkt, koupili také:

Produkt přidán k porovnání