Nákupní košík
DHK Kola antistatická otočná bez brzdy
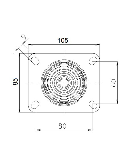
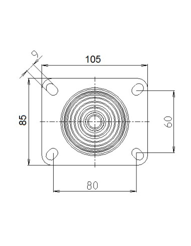
DHK 160/GR Otočné kolo s šedou antistatickou obručí
MONTAKO CZ s.r.o.
0221836
1 219,00 Kč bez DPH
1 474,99 Kč
Antistatické kolo s polyamidovým diskem a polyuretanovou obručí

