Nákupní košík
DHK Kola antistatická otočná bez brzdy
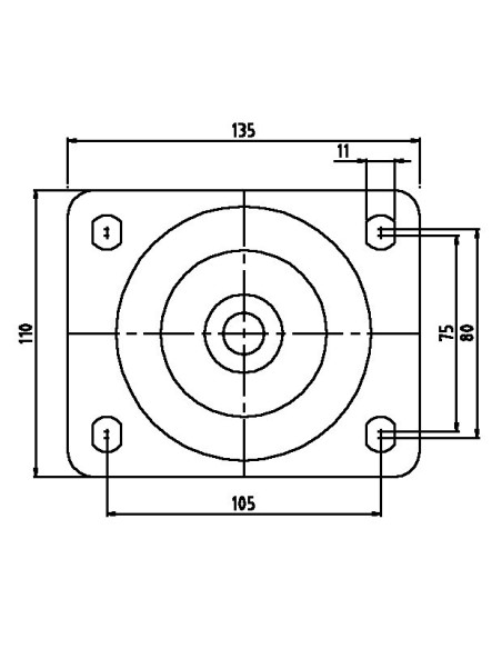
DHK 100/GR Otočné kolo s šedou antistatickou obručí
MONTAKO CZ s.r.o.
0221826
422,00 Kč bez DPH
510,62 Kč
Antistatické kolo s polyamidovým diskem a polyuretanovou obručí

