Nákupní košík
Kladky malých průměrů samostatné polyuretanové
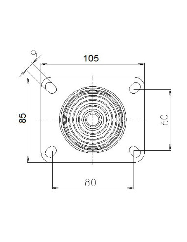
TWK 080 x70x25 Samostatné kolo s polyuretanovou obručí
MONTAKO CZ s.r.o.
7520215
382,00 Kč bez DPH
462,22 Kč
- kolo s ocelovým diskem a polyuretanovou obručí 92 ShA

