Nákupní košík
PGR Kola transportní otočná s otvorem a brzdou
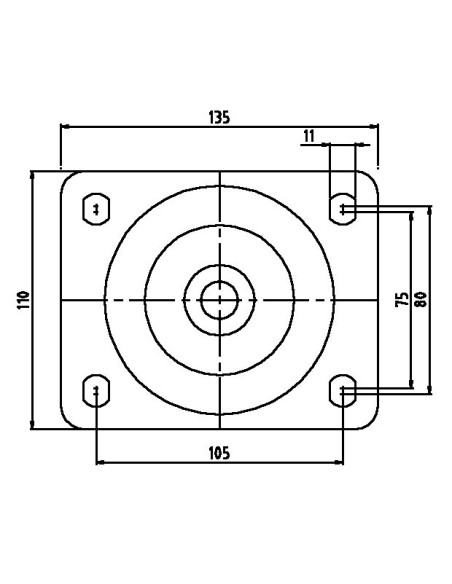
PGR 180/QRD Otočné kolo s šedou obručí s otvorem a brzdou -16
MONTAKO CZ s.r.o.
0220736
536,00 Kč bez DPH
648,56 Kč
- kolo s plastovým diskem a šedou pryžovou obručí

